Masina selectată

RENAULT SUPER 5 (B/C40_) 1.1 (B/C/401)
Ani fabricaţie
1984-1988
Cilindree
1108 CMC
Cai putere
46
KW
34
Combustibil
benzina
Coduri motor
C1E 750
C1E 752
C1E 754
C1E 752
C1E 754
Caută o maşină
Autentificare

Detalii piesă
Cod articol
2497308
Tip articol
Disc frana
Producător
AP
Preţ
Din pacate, pretul pentru acest produs nu este disponibil pe site.
Lasă-ne datele tale de contact si in cel mai scurt timp iti vom trimite o oferta de pret pentru acest produs.
Caracteristici
pentru numar articol
08.3147.14
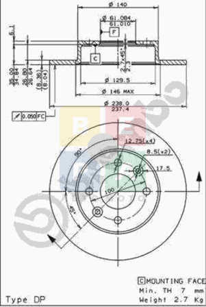
Tip disc frâna
plin
Diametru [mm]
238
Grosime disc frâna [mm]
8
Grosime minima [mm]
7
Înaltime [mm]
41
Diametru de centrare [mm]
61
Numar gauri
4
Moment strangere [Nm]
8
Articol extins/Info extins 2
cu suruburi