Masina selectată

HONDA CIVIC VII Hatchback (EU, EP, EV) 2.0 Type-R
Ani fabricaţie
2001-2005
Cilindree
1998 CMC
Cai putere
200
KW
147
Combustibil
benzina
Cod motor
K20A2
Caută o maşină
Autentificare

Detalii piesă
Cod articol
2527712
Tip articol
Disc frana
Producător
BRECO
Preţ
Din pacate, pretul pentru acest produs nu este disponibil pe site.
Lasă-ne datele tale de contact si in cel mai scurt timp iti vom trimite o oferta de pret pentru acest produs.
Caracteristici
pentru numar articol
09.9544.10
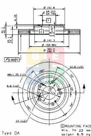
Tip disc frâna
ventilat interior
Diametru [mm]
300
Grosime disc frâna [mm]
25
Grosime minima [mm]
23
Înaltime [mm]
47
Diametru de centrare [mm]
64,1
Numar gauri
5
Articol extins/Info extins 2
cu suruburi