Masina selectată

KIA RIO combi (DC) 1.5 16V
Ani fabricaţie
2000-2005
Cilindree
1493 CMC
Cai putere
98
KW
72
Combustibil
benzina
Caută o maşină
Autentificare
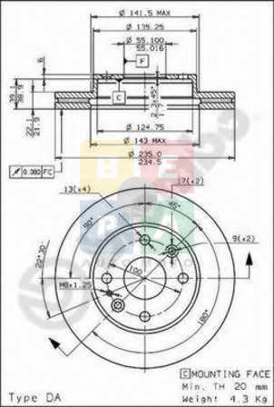
Detalii piesă
Cod articol
1564700
Tip articol
Disc frana
Producător
BREMBO
Preţ
Din pacate, pretul pentru acest produs nu este disponibil pe site.
Lasă-ne datele tale de contact si in cel mai scurt timp iti vom trimite o oferta de pret pentru acest produs.
Caracteristici
pentru numar articol
09.5581.20
Tip disc frâna
ventilat interior
Diametru [mm]
235
Grosime disc frâna [mm]
22
Grosime minima [mm]
20
Înaltime [mm]
45
Diametru de centrare [mm]
55
Numar gauri
4